betway精装下载
Banner
圆柱齿轮流量变送器 安装和操作手册
圆柱齿轮流量变送器 安装和操作手册
圆柱齿轮流量变送器 安装和操作手册

  正位移容积式流量变送器(圆齿轮流量变送器)

  耐高压

  可测量各种粘性介质

  高精度和高重复性

  脉冲输出/模拟量输出可选

  量程比宽

  测量范围广

  抗污能力强

  应用

  树脂、胶水测量

  液压油、润滑油、油脂测量

  燃料油测量

  油墨、沥青测量

  冷冻液、溶剂测量

  食用油、鱼油及食品灌装测量

  化工及防腐要求流体测量

  流体定量控制

注     意!

安装使用前,请仔细阅读本说明书理解各项内容,以便能正确的安装、电路连接、运行操作和保养维护等。

本说明书应保存在实际使用者的手中。

本说明书应保存到传感器报废为止。

本产品技术规范可能发生变化,恕不另行通知。

  概述:

  齿轮流量变送器是容积式流量变送器。高精度测量体积流量的变送器。随着介质的流动使齿轮啮合转动,在流体流动的作用下,仪表进出口两端形成压差,不需要供电,一对齿轮自由旋转,其齿轮间的空腔充满液体、液体随着旋转被排出,测出齿轮的转数即可知道流经仪表液体、液体的流量.

  

图1流体流动示意图

  变送器的转速是通过装在表壳上的信号放大器里传感线圈来检测。信号放大器不与被测量介质相接触。当变送器齿轮切割由壳体内磁石产生的磁力线时,就会引起传感线圈中的磁通变化。传感线圈将检测到的磁通周期变化信号送入前置放大器,对信号进行放大、整形,产生与流速成正比的脉冲信号,送入单位换算与流量积算电路得到并显示累积流量值,同时亦将脉冲信号送入频率电流转换电路,将脉冲信号转换成模拟电流量,进而指示瞬时流量值。

  圆柱齿轮变送器加工精度高,精密安装。齿轮的旋转被非接触扫描,每一个齿产生一个脉冲,分辨率非常高.圆柱齿轮变送器可测量非常小的流量,定量小体积的液体。

  产品图示:

  图片1螺纹联接方式

  图2快速卡箍连接

 

 图片3法兰联接方式

  计算:

  齿轮流量计的K系数(流量系数)精确定义了单位流量内每升对应的脉冲数。

  应用以下公式:

Q=f×60/K


  Q=瞬时流量升/分钟

  F=输出脉冲频率HZ

  K=齿轮流量计的系数脉冲/分钟

  特性:

  圆柱齿轮流量变送器是一种新型的容积式流量变送器,用于精密的连续或间断的测量管道中液体的流量或瞬时流量.

  它特别适合于重油.聚乙烯醇.树脂等粘度较高介质的流量测量.(可测量粘度高达10000Pa.s的流体)体积小,重量轻,运行时振动噪声小且运行稳定.还可用于测量小管径的微小流量的测量.始动流量小,量程比宽,适合用于计量符合变动大的液体流量,计量精度不受压力和流量变化的影响,性能稳定,寿命长,流通能力大.

  基本参数

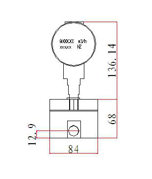
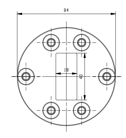
  图5 DN2-DN10安装尺寸图

  图5 DN15-DN20安装尺寸图

  表1基本参数表

  流量单位:L/h


型号

测量范围

l/H

K系数

P/L

zui大压力Bar

温度

准确度

接口

外型尺寸

铝合金

不锈钢

YZCL-2

0.6-50

1840

400

950

-15-80℃

+/- 0.5%

( 量程1:10)

+/- 1.0%    (量程1:100)

G1/8

Φ84*55

YZCL-4

5-250

1840

400

950

-15-80℃

G1/4

Φ84*55

YZCL-6

10-500

1840

400

950

-15-80℃

G1/4

Φ84*67

YZCL-10

50-1200

1412

400

950

-15-80℃

G1/2

Φ84*67

YZCL-15

200-3000

126.75

400

950

-15-80℃

G3/4

Φ116*98*74

YZCL-25

1000-10000

59.9

400

950

-15-80℃

G1

158*118*68

YZCL-32

2000-15000

61.1

400

950

-15-80℃

G1

158*18*68

  表头接线方式(脉冲输出):三线制接线方式:棕色:+11V-24V,蓝色:GND,黑色:IN

  安装要求

  变送器现场安装位置应尽可能避开温度大、机械振动大、磁场干扰强、腐蚀性强的环境,应选择易于维护维修的位置安装。

  变送器一般应水平安装,必须用螺丝将传感器牢固安装在装配体上。如果必须垂直安装则液体方向必须向上。液体应充满管道,不得有气泡。

  变送器的上游侧应有20倍公称通径长度的直管段或安装整流器,下游应有5倍公称通径长度的直管段。

  变送器的种类附件在安装时,基中心线应对准管道中心线,连接处的密封垫不可突入液体内

  需要安装流量调节阀时,必须在传感器的下游侧安装。

  在新的管道上安装传感器时,为避免管路中的杂质进入变送器,建议在变送器上游安装过滤器。

  为了检修时不影响液体的正常传输,应在变送器的安装处安装旁通管路。

  齿轮流量变送器附近的磁场和类似的干扰源可能会影响传感器拾取信号,变送器与显示仪表之间的连接应采用带金属的屏蔽电缆,传输电缆的屏蔽层在显示仪表端一点接地

  使用与维护

  1、使用时注意事项

  使用时应保持衩测液体清洁,不含纤维状、颗粒状的杂质。

  变送器投入运行时阀门的开户关闭顺序

  未安装旁路管的变磅器,先以中等开度开启变送器上游阀,然后缓慢开户下游阀以较小流量运行10分钟,然后全开上游阀开度至所需正常流量

  装旁路管的变送器,先全开旁路管阀,以中等开度开启上游阀,再缓慢开启下游阀,关小旁路阀的开度,使变送器以较小流量运行10分钟,然后全开上游阀全闭旁路阀(保证无泄漏),然后调节下游阀开度至所需正常流量。

  开启关闭阀门时应可能平缓,如采用自动控制启闭,特别对中大口径传感器较好采用“两段开启、两段关闭”方式,防止液体突然冲击产生水锤效应导致损坏齿轮。

  为保证变送器长期正常工作,平时要加强运行检查,一旦发现异常应及时采取措施排除。特别注意监视齿轮转动情况,如听到异常声音应及时变送器检查。

  变送器的维护周期一般为三个月,检查清洗时,注意不要损伤内部零部件并按原装配位置装配

  变送器不用时应清洁内部液体且在变送器两端加上防护套以防止尘垢进入,然后置于干燥处进行存放。

  配用的过滤器应定期清洗,不用时就在加上防护套以防止尘垢进入,然后置于干燥处进行存放。

  传感器的传输电缆可架空或埋地铺设(埋地时应套上塑料管或铁管)。

  2、故障处理

  表2故障处理表

故障现象

原因分析

消除方法

液体流动正常但显示仪表无显示

1、 电源未接通或传感器与仪表之间接线有误或有开路、短路、接触不良等故障。

2、 前置放大器故障。

3、 齿轮被卡住

1、 接通电源或检查接线是否正确,用万用表排查故障点。

2、 检查前置放大器。

3、 去除异物并清洗或更换齿轮。更换齿轮应重新校验以求得新的仪表系数。

未进行降低流量操作但流量显示值却逐渐下降。

1、 过滤器是否堵塞。

2、 传感器管道上的阀门出现阀芯松动,阀门开度自动减少。

3、 变送器齿轮受杂物阻碍使阻力增大转速减慢

1、 清洗过滤器

2、 修理或更换阀门

3、 卸下传感器清洗

液体不流动,流量显示不为零或显示值不稳定

1、 传输导线屏蔽接地不良,外界干扰信号混入显示仪表输入端

2、 管道振动,齿轮随之振动产生错误信号

3、 显示仪表内部故障产生干扰

1、 检查屏蔽层显示仪表接地端是否良好接地

2、 加固管道或坚固传感器螺丝

3、 修理显示仪表

  配套显示仪表,详见显示仪表说明书。

  以上内容版权归我司所有,结果解释权归我司。


Baidu
map